Array ( [cat_id] => 43 [cat_name] => 智能配电设备 [unique_id] => zhinengpeidianshebei [parent_id] => 0 [url] => http://www./product/zhinengpeidianshebei )
产品概述
PXTF(R)系列暗装配电箱是一种安装方式为暗装嵌入式,主要应用于低压0.4KV及以下的电力系统,适用于交流50~60HZ,一般由负荷隔离开关、塑壳断路器、双电源自动转换开关、微型断路器、漏电断路器、浪涌保护器等主元器件及接触器、热继电器、中间继电器、按钮、指示灯等二次元件配合壳体、导体等核心部分组成,主要作用是根据实际使用需求进行电能分配的电气设备,具有电能分配、线路控制、过载保护、短路保护,以及线路切换等功能,并确保这些电力供应的安全、可靠和高效,根据类别大致分为照明、动力、计量三种,广泛应用于石油、化工、市政、路桥、公建、住宅等配电系统中。
性能特点
保护功能:具备过载保护和短路保护功能,出现系统故障能够及时切断电路,防止电气事故和设备损坏。
操作便利:设计用于线路不频繁转换之用,满足正常操作条件下的需求,便于用户进行电路的开合操作。
安全性能:箱体与箱门之间通过密封处理增加安全防护等级,能够直观显示电路的导通状态,确保操作人员的安全。
机械防护:通常由箱体、箱门、配电盘、支架等结构组成,冷轧钢板或者镀镁铝锌板制成,具有良好的机械强度和防护性能。
模块设计:可以根据不同的使用需求和功能要求,进行模块化设计和定制。结构设计合理,具有特殊的技术性能;
安装维护:标准化生产制造,确保产品的质量和可靠性。便于维护和检修,提高设备的运行效率和使用寿命。
空间环保:适用于多种环境,不受场地限制。设计时考虑了空间利用率和环保因素,占地少,对环境的影响小。
标识清晰:位置固定,配置功能独特,配电箱内部的线路和设备具有清晰的标识,以便于操作和维护人员识别。
方案原理
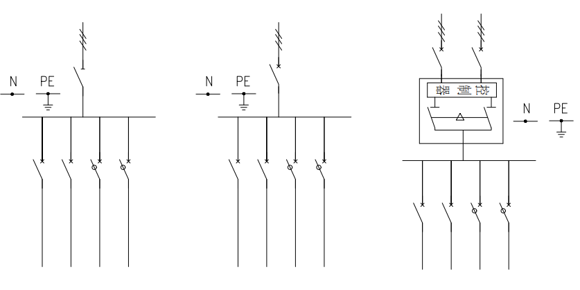
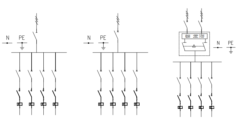
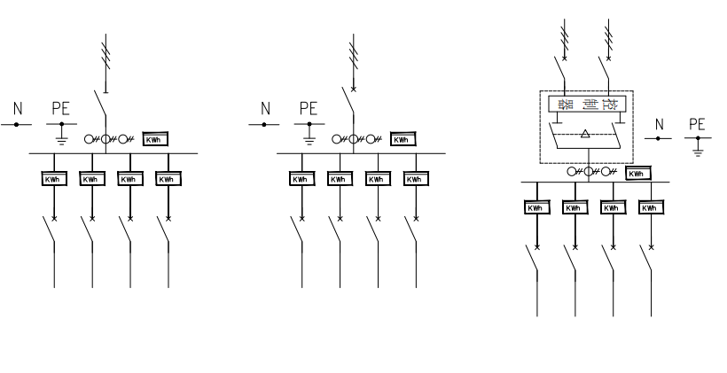
典型电路及柜内主要元件
主要元器件:隔离开关、塑壳断路器、微型断路器、双电源转换开关
主要元器件:隔离开关、塑壳断路器、微型断路器、双电源转换开关、接触器、热继电器
主要元器件:隔离开关、塑壳断路器、微型断路器、双电源转换开关、互感器、计量表
设计依据
该产品符合IEC60439-1:1992《低压成套开关设备和控制设备第一部分:型式试验和部分型式试验成套设备》。
该产品符合GB 7251.1-1997《低压成套开关设备和控制设备第一部分:型式试验和部分型式试验成套设备》。
技术参数
|
额定工作电压(Ue) |
AC380V、AC220V |
|
成套设备的额定电流(Im) |
250A~10A |
|
频率(fn) |
50Hz |
|
额定绝缘电压(Ui) |
400V |
|
额定冲击耐受电压Uimp(kV) |
4kV |
|
主母线额定电流(I) |
250A~10A |
|
主母线额定短时耐受电流(I) |
6kA |
|
电气间隙 |
≥5.5mm |
|
爬电距离 |
≥8mm |
|
过电压类别 |
III类 |
|
触电保护类别 |
I类 |
|
户内型/户外型 |
户内型 |
|
防护等级 |
外壳IP30,操作面板IP20C; (特殊要求可订制) |
|
机械碰撞等级 |
户内:IK05 |
|
污染等级 |
2级 |
应用环境
本产品工作场所海拔不超过2000米,环境温度-25℃~+40℃,相对湿度:日平均不大于95%,月平均不大于90%。
本产品运行场所应具备无有害气体、可燃气体、蒸汽等污染,无导电性或者爆炸性尘埃,运行场所应无经常性的剧烈机械振动。
本产品户内使用运行,如果在特殊情况下户外使用,需更换箱体外壳,并参考相关标准保证箱体外壳的防护等级。
本产品避免长期在潮湿环境中放置,如受潮或者凝露,为避免短路,切忌第一时间通电试验,需在专业工程师指导下采取正确方法措施后进行故障排除。
上述为正常使用环境条件,如果实际使用环境不同于上述正常环境条件,由用户与制造厂协商解决。
型号含义
外观结构
选型参考
|
PXTF-R暗装配电箱常规尺寸表(mm) |
||||||
|
箱体尺寸 |
外框尺寸 |
安装板尺寸 |
||||
|
A |
B |
H |
C |
D |
c |
d |
|
300 |
300 400 500 600 700 800 900 1000 |
100 120 140 160 180 200 |
A+15 |
B+15 |
A-80 |
B-80 |
|
350 |
||||||
|
400 |
||||||
|
450 |
||||||
|
500 |
||||||
|
550 |
||||||
|
600 |
||||||
|
650 |
||||||
|
700 |
||||||
|
750 |
||||||
|
800 |
||||||
|
可根据方案不同相应变化 |
||||||
订货须知
系统原理图;
系统电压等级;
额定功率;
计量单元;
外壳材质(冷轧钢板/不锈钢板)
颜色(标准RAL7035)
使用环境(户内)
嵌入式安装;
进出线方式;
负载性质;
特殊要求注明;